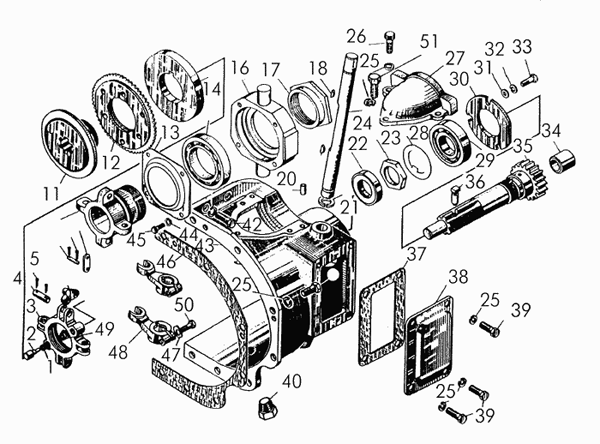
Поз. |
Обозначение |
Наименование |
Входит в сборочную единицу |
Кол. |
Дополнительно |
- |
17-73-7СП |
Муфта сцепления |
17-76-10СП |
1 |
Вес: 23.829 |
- |
7324СП |
Вал |
_ |
1 |
Вес: 1.995 |
- |
7318СП |
Крестовина |
_ |
1 |
Вес: 0.600 |
- |
17-73-130СП |
Подшипник выжимной |
_ |
1 |
|
- |
17-73-112-01СП |
Корпус |
_ |
1 |
Вес: 13.810 |
1 |
3874 |
Пружина |
7318СП |
1 |
Пружины
Параметры: D=10, d=1, к-во вит=6
 |
2 |
7316 |
Защелка |
7318СП |
1 |
Вес: 0.014 |
3 |
17-73-57 |
Крестовина |
7318СП |
1 |
Вес: 0.509 |
4 |
7312 |
Палец |
_ |
4 |
Вес: 0.018 |
5 |
2,5Х16.019 |
Шплинт |
_ |
8 |
Шплинты
Параметры: l=16, D=4,6, l1=5, l2=2,5
 |
6 |
7311-1 |
Кулачок |
_ |
4 |
Вес: 0.037 |
7 |
7314 |
Палец |
_ |
8 |
Вес: 0.004 |
8 |
2Х12.019 |
Шплинт |
_ |
16 |
Шплинты
Параметры: l=12, D=3,6, l1=4, l2=2,5
 |
9 |
7313 |
Серьга |
_ |
8 |
Вес: 0.009 |
10 |
17-73-54 |
Муфта |
17-73-130СП |
1 |
Вес: 0.349 |
11 |
736 |
Диск неподвижный |
_ |
1 |
Вес: 1.404 |
12 |
738-4СП |
Диск |
_ |
1 |
Вес: 0.476 |
13 |
17-73-53 |
Крышка |
17-73-130СП |
1 |
Вес: 0.100 |
14 |
739 |
Диск нажимной |
_ |
1 |
Вес: 0.709 |
15 |
1000909 |
Подшипник 1000909 |
17-73-130СП |
1 |
|
16 |
17-73-52 |
Обойма |
17-73-130СП |
1 |
Вес: 0.460 |
17 |
17-73-55 |
Тормозок |
17-73-130СП |
1 |
Вес: 0.090 |
18 |
3432 |
Шпонка |
_ |
2 |
Шпонки
Параметры: , l=6,5, b=3
 |
19 |
3432 |
Шпонка |
_ |
2 |
Шпонки
Параметры: , l=6,5, b=3
 |
20 |
700-31-2196 |
Штифт |
_ |
2 |
|
21 |
700-31-2526 |
Кольцо |
_ |
1 |
|
22 |
40257СП |
Сальник |
_ |
1 |
Вес: 0.050 |
23 |
700-30-2305 |
Гайка |
17-73-130СП |
1 |
Гайки нестандартные
Параметры: H=8,0, S=50, D=57,5
 |
24 |
17-73-35 |
Ось |
_ |
1 |
|
25 |
10ОТ65Г09 |
Шайба |
17-73-112СП |
3 |
Шайбы пружинные ГОСТ 6402—70
Параметры: , S=3,5, l=2,5, H=7, b=3,5
 |
25 |
10ОТ65Г09 |
Шайба |
17-73-7СП |
4 |
Шайбы пружинные ГОСТ 6402—70
Параметры: , S=3,5, l=2,5, H=7, b=3,5
 |
26 |
М10Х22.58.019 |
Болт |
_ |
7 |
Болты с шестигранной уменьшенной головкой ГОСТ 7796—70
Параметры: L=22, H=6, S=14, D=15,3
 |
26 |
М10Х22.58.019 |
Болт |
17-73-112СП |
3 |
Болты с шестигранной уменьшенной головкой ГОСТ 7796—70
Параметры: L=22, H=6, S=14, D=15,3
 |
26 |
М10Х22.58.019 |
Болт |
17-73-7СП |
4 |
Болты с шестигранной уменьшенной головкой ГОСТ 7796—70
Параметры: L=22, H=6, S=14, D=15,3
 |
27 |
17-73-13 |
Крышка |
17-73-112СП |
1 |
Вес: 0.699 |
28 |
700-31-2566 |
Шайба |
_ |
1 |
Шайбы, шайбы стопорные. Пластины стопорные.
Параметры: D=60, S=1,0, L=35, b=6
 |
29 |
208 |
Подшипник 208 |
_ |
1 |
|
30 |
73105 |
Крышка |
_ |
1 |
Вес: 0.243 |
31 |
700-31-2574 |
Шайба |
_ |
3 |
Шайбы, шайбы стопорные. Пластины стопорные.
Параметры: D=14, S=1,6
 |
32 |
8Т65Г09 |
Шайба |
_ |
5 |
Шайбы пружинные ГОСТ 6402—70
Параметры: , S=2,5, l=1,9, H=5, b=2,5
 |
33 |
М8Х25.88.35.019 |
Болт М8х25.88.35.019 |
_ |
3 |
|
34 |
17-73-66 |
Втулка |
7324СП |
1 |
|
35 |
735 |
Вал |
7324СП |
1 |
|
36 |
7325 |
Палец стопорный |
_ |
1 |
Вес: 0.018 |
37 |
40235 |
Прокладка |
_ |
1 |
Вес: 0.007 |
38 |
73103 |
Крышка люка |
_ |
1 |
Вес: 0.400 |
39 |
М10Х22.58.019 |
Болт |
_ |
4 |
Болты с шестигранной уменьшенной головкой ГОСТ 7796—70
Параметры: L=22, H=6, S=14, D=15,3
 |
40 |
379 |
Пробка |
_ |
1 |
Пробки
Параметры: L=25, H=5,5, S=22, D=25,4
Вес: 0.061
 |
41 |
М10Х22.58.019 |
Болт |
_ |
7 |
Болты с шестигранной уменьшенной головкой ГОСТ 7796—70
Параметры: L=22, H=6, S=14, D=15,3
 |
42 |
31103-1 |
Шайба стопорная |
_ |
1 |
Шайбы, шайбы стопорные. Пластины стопорные.
Параметры: D=16, S=1,0, L=28, l=14, H=8
 |
43 |
17-73-20-1 |
Корпус |
17-73-112СП |
1 |
Вес: 12.989 |
44 |
М6-6gХ14. 88.35.019 |
Болт М6-6gх14. 88.35.019 |
17-73-130СП |
4 |
|
45 |
0516 |
Кнопка |
7318СП |
1 |
Вес: 0.012 |
46 |
40954 |
Прокладка |
_ |
1 |
Вес: 0.014 |
47 |
6Т65Г09 |
Шайба |
17-73-130СП |
4 |
Шайбы пружинные ГОСТ 6402—70
Параметры: , S=2, l=1,5, H=4, b=2
 |
48 |
17-73-58 |
Вилка |
_ |
2 |
Вес: 0.250 |
50 |
М8Х30.58.019 |
Болт |
_ |
2 |
Болты с шестигранной уменьшенной головкой ГОСТ 7796—70
Параметры: L=30, l0=22, H=5, S=12, D=13,1
 |
51 |
М10-6gХ20. 58.019 |
Болт М10-6gх20. 58.019 |
17-73-112СП |
1 |
|