f83c8b32
Тел: 8-800-700-79-69
Звонок бесплатный!

Акция

НОВЫЕ ЗАВОДСКИЕ Бульдозера Б10М от 3350000 р от ДИЛЕРА!

Наличие, доставка в любой регион.

По ценам:
На Б10М.0801-5% от прайса;
На Б10М.0101-7% от прайса.

Срок акции - до 1 июля 2013 г.

Обратная связь
 

 

Консультации по технике:
Консультации по запчастям:
ВНИМАНИЕ! Подделки

Предложения о поставке техники не заводской сборки под видом новой, соответственно с заниженной стоимостью приобретения. Данная техника, как правило, собрана на старой бывшей в употреблении раме с применением ремонтных узлов и агрегатов. Несмотря на привлекательную стоимость, качество сборки и потребительские свойства такой техники зачастую очень низкие.

Своими действиями представители «серого рынка» вводят в заблуждение порядочных потребителей специальной техники производства тюнинг, поставляя товар низкого качества без обеспечения гарантийных обязательств, а также наносят непоправимый ущерб репутации Челябинского омскного завода.

Уважаемый покупатель наши специалисты готовы проконсультировать по всем вопросам связанным с подбором и приобретением нового «заводской сборки» омска или ремонта производства тюнинг.

бу аккумуляторы.

Новости
Разработка собственного дизеля ООО «тюнинг-Уралтрак»
18/04/2011

ООО «тюнинг-Уралтрак» в срок до 2016 г. организует выпуск серии дизелей серии Т. В планах по изготовлению восемь двигателей: 4 шестицилиндровых и 4 четырехцилиндровыхи по 2 восьми и двенадцатицилиндровых. Изготовление указанных двигателей тюнинг ведется в соответствии с условиями госконтракта. Данное …

Расширяем ассортимент продукции: запасные части ДТ-75 в наличии на складе г.Нижний Новгород
15/04/2011

ООО «reaktor-omsk» расширяет ассортимент продукции. На складе в г. Нижний Новгород всегда в наличии запасные части на омск ДТ-75, ДТ-75М, АГРОМАШ 90ТГ, в частности гусеница в сборе 77.34.001, звено гусеницы 74.34.501, колесо направляющее ДТ-75 85.32.001, каретка подвески 85.31.001-1, ролик поддерживающий …

Внимание!
Сведения, размещенные на настоящем Интернет-ресурсе, носят исключительно информационный характер и не являются публичной офертой (ст. 437 Гражданского кодекса РФ). Убедительная просьба дополнительно уточнять указанные данные по электронной почте или контактным телефонам

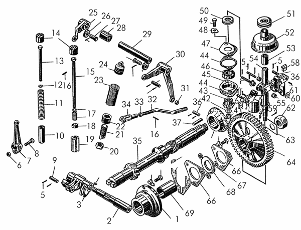
Регуляторы дизеля

Регуляторы дизеля

Поз. Обозначение Наименование Входит в сборочную единицу Кол. Дополнительно
- 16-06-3СП Регулятор дизелядля болотоходных омсков 16-06-5-01СП 1
- 51-06-101СП Тяга _ 1
- 51-06-14СП Регулятор 51-06-3-01СП 1 Вес: 41.400
- 06581СП Валик 16-06-3СП 1 Вес: 1.320
- 06585 Груз регулятора 06584СП 1 Вес: 0.259
- 29-06-103СП Груз регулятора 29-06-102СП 2 Вес: 0.200
- 51-06-1401СП Регулятор дизеля (для болотоходных омсков) _ 1
- 29-06-102СП Валик _ 1
- 06367СП Подшипник 29-06-101СП 1 Вес: 1.870
- 29-06-101СП Вал привода _ 1
- 06336СП Рычаг двуплечий _ 1 Вес: 0.340
- 16-06-106СП Пружина _ 1 Вес: 0.384
- 06328СП Муфта _ 1 Вес: 0.389
- 16-06-5-01СП Регулятор дизелядля болотоходных омсков 5115001СП 1
- 06584СП Груз регулятора 06581СП 2 Вес: 0.260
1 06368 Корпус 06367СП 1
2 06339 Валик _ 1 Вес: 0.310
3 06340 Рычаг трехплечий _ 1 Вес: 0.395
4 341 Шпонка 16-06-3СП 1 Шпонки
Параметры: , l=5, b=3
Шпонки
4 341 Шпонка 51-06-1СП 1 Шпонки
Параметры: , l=5, b=3
Шпонки
4 341 Шпонка 29-06-102СП 1 Шпонки
Параметры: , l=5, b=3
Шпонки
5 2Х12.019 Шплинт 29-06-102СП 8 Шплинты
Параметры: l=12, D=3,6, l1=4, l2=2,5
Шплинты
6 М8Х1.6.019 Гайка М8х1.6.019 _ 1 Гайки шестигранные ГОСТ 5927—70
Параметры: H=6,5, S=13, D=14,4
Гайки шестигранные ГОСТ 5927—70
7 16-06-13-1 Рычаг _ 1
8 2848 Болт _ 1 Болты нестандартные
Параметры: L=30, l0=26, H=55, S=12, D=13,1
Болты нестандартные
9 06347 Палец _ 2 Вес: 0.007
10 06353 Упор минимальной подачи _ 1 Вес: 0.094
11 38349 Пружина _ 1 Пружины
Параметры: D=14,5, d=2,5, к-во вит=10
Пружины
12 31365 Шайба _ 2 Шайбы, шайбы стопорные. Пластины стопорные.
Параметры: D=22, S=2,0
Шайбы, шайбы стопорные. Пластины стопорные.
13 51-06-128СП Болт минимальной подачи _ 1
14 06348 Муфта _ 2 Вес: 0.029
15 06375СП Болт максимальной подачи _ 1 Вес: 0.082
16 700-32-2181 Штифт 51-06-101СП 1 Штифты
Параметры: l=14
Штифты
16 700-32-2181 Штифт 16-06-3СП 1 Штифты
Параметры: l=14
Штифты
16 700-32-2181 Штифт 51-06-1СП 1 Штифты
Параметры: l=14
Штифты
17 38348 Пружина _ 1 Пружины
Параметры: D=11, d=1, к-во вит=8
Пружины
18 06350 Колпачок _ 1 Вес: 0.002
19 06351 Упор максимальной подачи _ 1 Вес: 0.054
20 3031-2 Гайка 16-06-106СП 1 Гайки нестандартные
Параметры: H=8, S=22, D=24,2
Гайки нестандартные
20 06582СП Валик 29-06-102СП 1 Вес: 0.469
21 06346 Наконечник 16-06-106СП 1 Вес: 0.054
22 06345 Наконечник 16-06-106СП 1 Вес: 0.043
23 700-38-2181 Пружина 16-06-106СП 1 Пружины
Параметры: D=30, d=3, к-во вит=19,5
Пружины
24 06592 Наконечник 16-06-106СП 1
25 51-06-2 Рычаг _ 1 Вес: 0.144
26 06334 Ролик _ 2 Вес: 0.014
27 06335 Валик _ 2 Вес: 0.009
28 06332 Втулка _ 1 Вес: 0.045
29 06331-1 Валик регулятора _ 1 Вес: 0.185
30 51-06-1 Рычаг 06336СП 1
31 06338 Втулка 06336СП 1 Вес: 0.009
32 51-06-4 Тяга 51-06-101СП 1
33 М6Х6.019 Гайка М6Х6.019 51-06-101СП 2 Гайки шестигранные ГОСТ 5927—70
Параметры: H=5, S=10, D=11
Вес: 0.007
Гайки шестигранные ГОСТ 5927—70
34 51-06-5 Вилка 51-06-101СП 2
35 51-06-40 Вал привода 29-06-101СП 1
36 06322 Ось 29-06-102СП 1 Вес: 0.004
36 06322 Ось 16-06-3СП 1 Вес: 0.004
36 06322 Ось 51-06-1СП 1 Вес: 0.004
37 34116 Шпонка 29-06-101СП 1 Шпонки
Параметры: L=40, l=6, b=6
Шпонки
38 14-06-3 Прокладка _ 1
39 3432 Шпонка 29-06-101СП 1 Шпонки
Параметры: , l=6,5, b=3
Шпонки
40 06370-1 Шестерня 29-06-101СП 1 Вес: 0.379
41 30225 Гайка 29-06-102СП 1 Гайки нестандартные
Параметры: H=9, S=14, D=15,5, H1=6, b=2,5
Гайки нестандартные
42 31363 Шайба 29-06-102СП 1 Шайбы, шайбы стопорные. Пластины стопорные.
Параметры: D=18, S=2,4
Шайбы, шайбы стопорные. Пластины стопорные.
43 06324 Шестерня 29-06-102СП 1 Вес: 0.079
44 06327 Прокладка _ 7 Вес: 0.001
45 06593 Корпус 29-06-102СП 1 Вес: 0.041
46 203 Подшипник 29061012СП 1 Подшипники
Параметры: Ф нар=40, ширина=12
47 06576 Фланец 29-06-102СП 1 Вес: 0.039
48 31366 Шайба 29-06-101СП 3 Шайбы, шайбы стопорные. Пластины стопорные.
Параметры: , S=0,8, L=16, l=8, H=26, b=10, R=9, R1=2
Шайбы, шайбы стопорные. Пластины стопорные.
49 М8Х20.58.019 Болт _ 10 Болты с шестигранной уменьшенной головкой ГОСТ 7796—70
Параметры: L=20, H=5, S=12, D=13,1
Болты с шестигранной уменьшенной головкой ГОСТ 7796—70
50 8104 Подшипник 29-06-102СП 1 Подшипники
Параметры: Ф нар=35, ширина=10
Вес: 0.039
51 8205 Подшипник _ 1 Подшипники
Параметры: Ф нар=47, ширина=15
52 06534-1 Муфта 06328СП 1
53 06330 Втулка 06328СП 1 Вес: 0.029
54 06583 Валик регулятора 06582СП 1
55 06318 Втулка 06582СП 4 Вес: 0.004
56 06323 Ось 29-06-102СП 2 Вес: 0.014
57 29-06-2 Груз регулятора 29-06-103СП 1
58 06321 Сухарь 29-06-102СП 2 Вес: 0.009
59 2Х16.019 Шплинт 29-06-102СП 1 Шплинты
Параметры: l=16, D=3,6, l1=4, l2=2,5
Шплинты
60 31386-1 Шайба 29-06-102СП 3 Шайбы, шайбы стопорные. Пластины стопорные.
Параметры: D=17,5, S=1,6
Вес: 0.008
Шайбы, шайбы стопорные. Пластины стопорные.
61 32251 Штифт 29-06-103СП 1 Штифты
Параметры: l=12, h1=0,5, R=45
Штифты
62 30227 Гайка 29-06-101СП 1 Гайки нестандартные
Параметры: H=16, S=36, D=41,6
Гайки нестандартные
63 31364 Пластина _ 1 Шайбы, шайбы стопорные. Пластины стопорные.
Параметры: , S=1,0, L=55, l=22, H=42
Шайбы, шайбы стопорные. Пластины стопорные.
64 29-06-1 Шестерня 29-06-101СП 1 Вес: 2.849
65 М8Х25.88.35.019 Болт М8х25.88.35.019 29-06-101СП 3
66 06363 Плита 29-06-101СП 2 Вес: 0.129
67 06364 Втулка 29-06-101СП 3 Вес: 0.001
68 06615 Шайба 29-06-101СП 1 Вес: 0.064
69 67205 Втулка 06367СП 1 Вес: 0.250