f83c8b32
Тел: 8-800-700-79-69
Звонок бесплатный!

Акция

НОВЫЕ ЗАВОДСКИЕ Бульдозера Б10М от 3350000 р от ДИЛЕРА!

Наличие, доставка в любой регион.

По ценам:
На Б10М.0801-5% от прайса;
На Б10М.0101-7% от прайса.

Срок акции - до 1 июля 2013 г.

Обратная связь
 

 

Консультации по технике:
Консультации по запчастям:
ВНИМАНИЕ! Подделки

Предложения о поставке техники не заводской сборки под видом новой, соответственно с заниженной стоимостью приобретения. Данная техника, как правило, собрана на старой бывшей в употреблении раме с применением ремонтных узлов и агрегатов. Несмотря на привлекательную стоимость, качество сборки и потребительские свойства такой техники зачастую очень низкие.

Своими действиями представители «серого рынка» вводят в заблуждение порядочных потребителей специальной техники производства тюнинг, поставляя товар низкого качества без обеспечения гарантийных обязательств, а также наносят непоправимый ущерб репутации Челябинского омскного завода.

Уважаемый покупатель наши специалисты готовы проконсультировать по всем вопросам связанным с подбором и приобретением нового «заводской сборки» омска или ремонта производства тюнинг.

бу аккумуляторы.

Новости
Разработка собственного дизеля ООО «тюнинг-Уралтрак»
18/04/2011

ООО «тюнинг-Уралтрак» в срок до 2016 г. организует выпуск серии дизелей серии Т. В планах по изготовлению восемь двигателей: 4 шестицилиндровых и 4 четырехцилиндровыхи по 2 восьми и двенадцатицилиндровых. Изготовление указанных двигателей тюнинг ведется в соответствии с условиями госконтракта. Данное …

Расширяем ассортимент продукции: запасные части ДТ-75 в наличии на складе г.Нижний Новгород
15/04/2011

ООО «reaktor-omsk» расширяет ассортимент продукции. На складе в г. Нижний Новгород всегда в наличии запасные части на омск ДТ-75, ДТ-75М, АГРОМАШ 90ТГ, в частности гусеница в сборе 77.34.001, звено гусеницы 74.34.501, колесо направляющее ДТ-75 85.32.001, каретка подвески 85.31.001-1, ролик поддерживающий …

Внимание!
Сведения, размещенные на настоящем Интернет-ресурсе, носят исключительно информационный характер и не являются публичной офертой (ст. 437 Гражданского кодекса РФ). Убедительная просьба дополнительно уточнять указанные данные по электронной почте или контактным телефонам

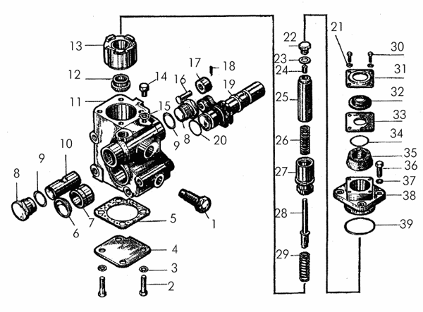
Сервомеханизм муфты сцепления

Поз. Обозначение Наименование Входит в сборочную единицу Кол. Дополнительно
- 50-15-118СП Сервомеханизм 24-15-3СП 1 Вес: 15.600
- 50-15-146СП Клапан _ 1
- 50-15-145СП Поршень _ 1
- 50-15-120СП Корпус _ 1 Вес: 9.173
1 700-41-3306 Болт полый _ 1
2 М10Х20.58.019 Болт _ 4 Болты с шестигранной уменьшенной головкой ГОСТ 7796—70
Параметры: L=20, H=6, S=14, D=15,3
Болты с шестигранной уменьшенной головкой ГОСТ 7796—70
3 40912 Кольцо _ 4 Вес: 0.001
4 24-15-14 Крышка _ 1 Вес: 0.259
5 700-40-7206 Прокладка _ 1
6 0295 Заглушка _ 1 Вес: 0.014
7 50-15-62 Втулка 50-15-120СП 1
8 18-17-104 Пробка _ 2 Вес: 0.259
9 46764 Кольцо _ 2 Вес: 0.001
10 35-15-13 Золотник _ 1 Вес: 0.370
11 50-15-64 Корпус 50-15-120СП 1
12 24-15-80 Пята 50-15-145СП 1
13 50-15-113 Поршень 50-15-145СП 1 Вес: 0.639
14 28458 Болт _ 1 Болты нестандартные
Параметры: L=15, H=9, S=19, D=20,9
Болты нестандартные
15 40920 Кольцо _ 1 Вес: 0.002
16 17317 Палец _ 1 Вес: 0.037
17 24-15-11 Ролик _ 1 Вес: 0.059
18 3,2Х22 Шплинт _ 1 Шплинты
Параметры: l=22, D=5,8, l1=6,4, l2=3,2
Шплинты
19 50-15-63 Вал _ 1 Вес: 1.600
20 700-40-7374 Кольцо _ 1 Вес: 0.002
21 6Т65Г09 Шайба _ 4 Шайбы пружинные ГОСТ 6402—70
Параметры: , S=2, l=1,5, H=4, b=2
Шайбы пружинные ГОСТ 6402—70
22 24-15-77 Пробка _ 1 Вес: 0.035
23 51-06-8 Кольцо _ 2
24 50-15-39 Стопор _ 1
25 50-15-37 Шток 50-15-146СП 1 Вес: 0.289
26 700-38-2461 Пружина 50-15-146СП 1 Пружины
Параметры: D=19, d=4, к-во вит=11,5
Пружины
27 50-15-114 Клапан 50-15-146СП 1 Вес: 0.239
28 50-15-38 Стержень 50-15-146СП 1
29 700-38-2462 Пружина _ 1 Пружины
Параметры: D=20,5, d=2,5, к-во вит=12
Пружины
30 М6Х16.58.019 Болт _ 4 Болты с шестигранной головкой ГОСТ 7798—70
Параметры: L=16, H=4, S=10, D=10,9
Болты с шестигранной головкой ГОСТ 7798—70
31 21-15-126 Крышка _ 1 Вес: 0.043
32 700-40-4032-1 Воротник _ 1 Вес: 0.007
33 21-15-127 Пластина _ 1 Вес: 0.070
34 46588 Кольцо _ 1 Вес: 0.008
35 3-48Х28-6 Манжета _ 1 Вес: 0.014
36 М10Х30.58.019 Болт _ 4 Болты с шестигранной уменьшенной головкой ГОСТ 7796—70
Параметры: L=30, H=6, S=14, D=15,3
Болты с шестигранной уменьшенной головкой ГОСТ 7796—70
37 10ОТ65Г099 Шайба 10 ОТ 65Г 099 _ 4
38 50-15-33 Крышка _ 1 Вес: 1.289
39 700-40-7375 Кольцо _ 1 Вес: 0.002