f83c8b32 Очаг электрический с эффектом по материалам http://www.koelgamsk.ru.
Дагестанский камень в Москве и еще.
Повысить антиплагиат онлайн смотрите на сайте.
Тел: 8-800-700-79-69
Звонок бесплатный!

Акция

НОВЫЕ ЗАВОДСКИЕ Бульдозера Б10М от 3350000 р от ДИЛЕРА!

Наличие, доставка в любой регион.

По ценам:
На Б10М.0801-5% от прайса;
На Б10М.0101-7% от прайса.

Срок акции - до 1 июля 2013 г.

Обратная связь
 

 

Консультации по технике:
Консультации по запчастям:
ВНИМАНИЕ! Подделки

Предложения о поставке техники не заводской сборки под видом новой, соответственно с заниженной стоимостью приобретения. Данная техника, как правило, собрана на старой бывшей в употреблении раме с применением ремонтных узлов и агрегатов. Несмотря на привлекательную стоимость, качество сборки и потребительские свойства такой техники зачастую очень низкие.

Своими действиями представители «серого рынка» вводят в заблуждение порядочных потребителей специальной техники производства тюнинг, поставляя товар низкого качества без обеспечения гарантийных обязательств, а также наносят непоправимый ущерб репутации Челябинского омскного завода.

Уважаемый покупатель наши специалисты готовы проконсультировать по всем вопросам связанным с подбором и приобретением нового «заводской сборки» омска или ремонта производства тюнинг.

бу аккумуляторы.

Новости
Разработка собственного дизеля ООО «тюнинг-Уралтрак»
18/04/2011

ООО «тюнинг-Уралтрак» в срок до 2016 г. организует выпуск серии дизелей серии Т. В планах по изготовлению восемь двигателей: 4 шестицилиндровых и 4 четырехцилиндровыхи по 2 восьми и двенадцатицилиндровых. Изготовление указанных двигателей тюнинг ведется в соответствии с условиями госконтракта. Данное …

Расширяем ассортимент продукции: запасные части ДТ-75 в наличии на складе г.Нижний Новгород
15/04/2011

ООО «reaktor-omsk» расширяет ассортимент продукции. На складе в г. Нижний Новгород всегда в наличии запасные части на омск ДТ-75, ДТ-75М, АГРОМАШ 90ТГ, в частности гусеница в сборе 77.34.001, звено гусеницы 74.34.501, колесо направляющее ДТ-75 85.32.001, каретка подвески 85.31.001-1, ролик поддерживающий …

Внимание!
Сведения, размещенные на настоящем Интернет-ресурсе, носят исключительно информационный характер и не являются публичной офертой (ст. 437 Гражданского кодекса РФ). Убедительная просьба дополнительно уточнять указанные данные по электронной почте или контактным телефонам

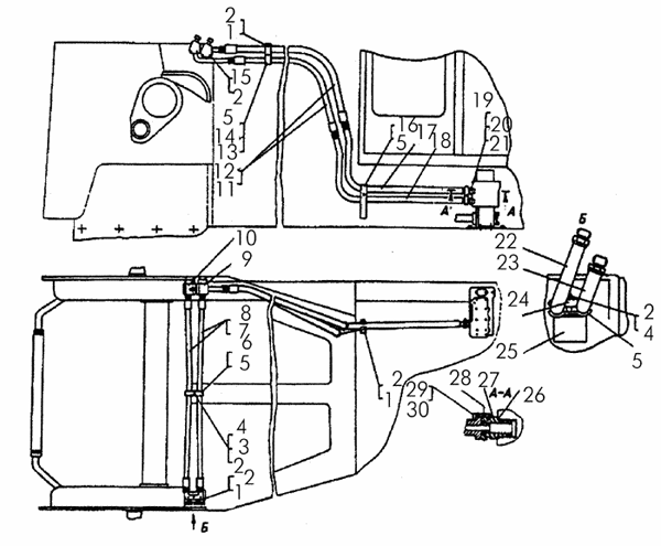
Установка передних трубопроводов

Поз. Обозначение Наименование Входит в сборочную единицу Кол. Дополнительно
- 50-26-45СП Установка передних трубопроводов _ 1
1 М12Х25.58.019 Болт _ 5 Болты с шестигранной уменьшенной головкой ГОСТ 7796—70
Параметры: L=25, H=7, S=17, D=18,7
Болты с шестигранной уменьшенной головкой ГОСТ 7796—70
2 12ОТ65Г09 Шайба _ 12 Шайбы пружинные ГОСТ 6402—70
Параметры: , S=4,0, l=3,0, H=8,0, b=4,0
Вес: 0.007
Шайбы пружинные ГОСТ 6402—70
3 М12Х45.58.019 Болт _ 7 Болты с шестигранной уменьшенной головкой и направляющим подголовком ГОСТ 7795—70
Параметры: L=45, l0=30, H=7, h=6, S=17, D=18,7
Болты с шестигранной уменьшенной головкой и направляющим подголовком ГОСТ 7795—70
4 3011 Гайка _ 4 Гайки нестандартные
Параметры: H=10, S=22, D=24,3
Гайки нестандартные
5 50-60-230 Прижим _ 5
6 41832 Втулка _ 1
7 50-26-485-04СП Рукав 16 _ 2 Вес: 1.491
8 50-26-485-05СП Рукав 16 для тропиков _ 2 Вес: 1.500
9 50-26-450СП Корпус _ 1 Вес: 2.200
10 50-26-451СП Корпус _ 1 Вес: 2.099
11 50-26-487-02СП Рукав 25 _ 2 Вес: 3.200
12 50-26-487-03СП Рукав 25 для тропиков _ 2 Вес: 3.200
13 50-26-72 Кронштейн _ 1
14 28648 Болт _ 1 Болты нестандартные
Параметры: L=65, l0=58, H=8, S=19, D=20,9
Болты нестандартные
15 М12Х55.58.019 Болт _ 4 Болты с шестигранной уменьшенной головкой и направляющим подголовком ГОСТ 7795—70
Параметры: L=55, l0=30, H=7, h=6, S=17, D=18,7
Болты с              шестигранной уменьшенной головкой и направляющим подголовком               7795—70
16 50-26-212СП Кронштейн _ 1
17 50-26-259СП Труба _ 1 Вес: 2.549
18 50-26-259-01СП Труба _ 1 Вес: 2.849
19 16ОТ65Г09 Шайба _ 1 Шайбы пружинные ГОСТ 6402—70
Параметры: , S=5,0, l=3,7, H=10,0, b=5,0
Шайбы              пружинные ГОСТ 6402—70
20 28417 Болт _ 1 Болты нестандартные
Параметры: L=75, l0=38, H=10, S=24, D=26,5
Болты              нестандартные
21 700-30-2417 Гайка _ 1
22 50-26-452СП Труба _ 1 Вес: 0.529
23 50-26-452-01СП Труба _ 1 Вес: 0.479
24 50-26-284 Планка _ 1
25 50-26-440СП Кронштейн _ 1
26 46764 Кольцо _ 2 Вес: 0.001
27 18-26-561 Штуцер _ 2 Вес: 0.280
28 46856 Кольцо _ 2 Вес: 0.001
29 18-26-237-01 Планка _ 2
30 18-26-237-02 Планка _ 2